verrou charnière avec décompression barillet clé 9081, polyamide GF noir
verrou charnière avec décompression barillet clé 9081, polyamide GF noir
unité axe E2, zamak et acier zingué
unité axe E2, zamak et acier zingué

verrou charnière avec décompression barillet clé différente, polyamide GF noir; 1091-U199

https://20260119-uat.emka.opaas.sh/products/1091-u199 https://20260119-uat.emka.opaas.sh/web/image/product.template/215012/image_1920?unique=1ef1e59

avec préparation pour l'ouverture de secours


    Cette combinaison n'existe pas.

    armoires individuelles armoires accolées / simple porte hors de la zone étanche Gauche Droite


    Avantages du produit:

    • la pression de serrage de la porte fermée peut être ajustée de 3 mm pendant le fonctionnement
    • l'efficacité du point de rotation de la poignée permet une compression du joint de 5 mm en cas de forces d'ouverture et de fermeture réduites
    • en déverrouillant les poignées des 2 côtés, la porte/trappe est amovible
    • réglage 3D (compensation de tolérance)
    • le verrou charnière peut être monté en une seule pièce lorsque la porte/trappe est encastrée
    • butée de porte au choix
    • charnière avec angle d'ouverture de 180°
    • version ATEX sur demande

    Note sur le produit:

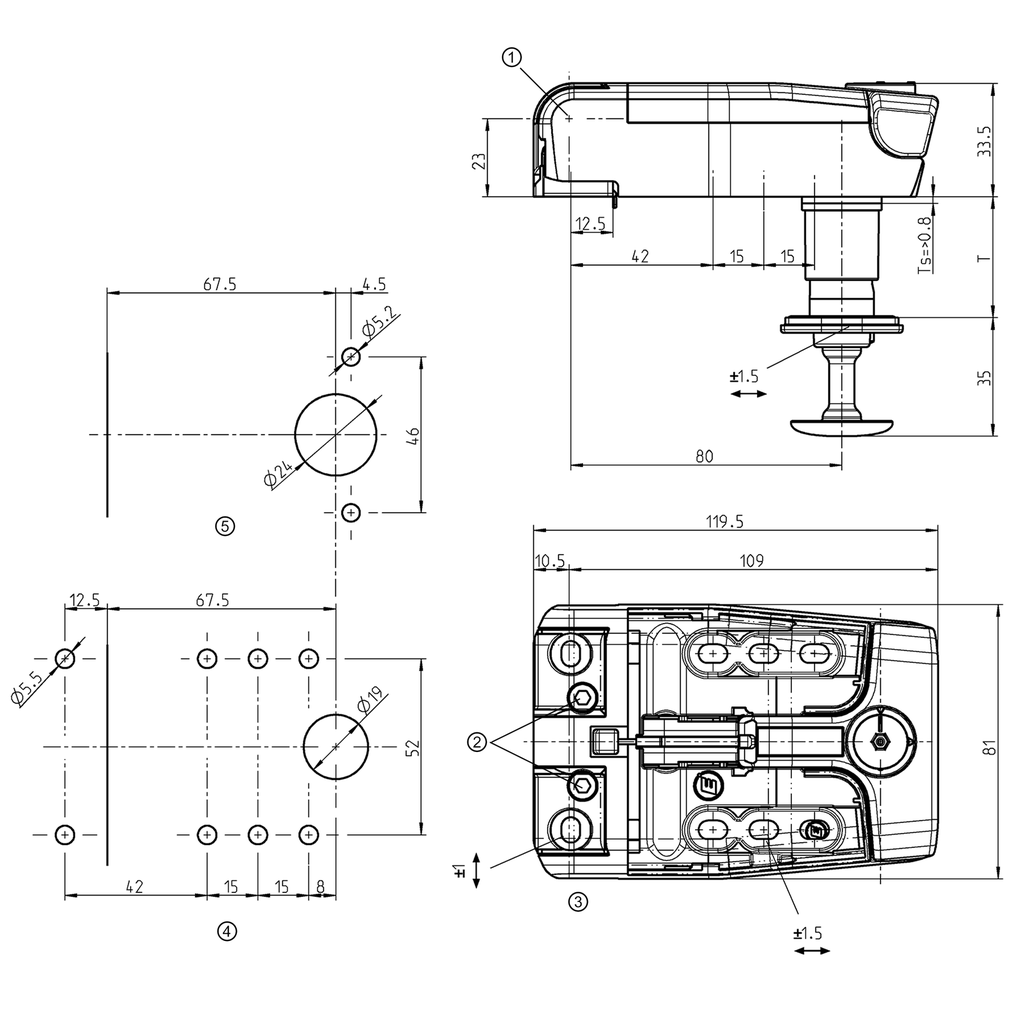
    ① = point de rotation
    ② = vis 6 pans creux SW 4 pour le réglage en hauteur ; compression réglable sur la partie châssis
    ③ = vue sans caches-vis
    ④ = empreinte avant
    ⑤ = empreinte arrière

    Référence interne: 1091-U199
    Code-barres: 1091-U00199-0000000
    Type d'article: autre fermeture
    Programme: 1091
    Matériel de l'assemblage : polyamide GF
    Surface de l'assemblage: noir
    Article protégé par un droit de protection: Oui
    Dégondable: sans outil
    Type de fixation porte: à visser de l'extérieur
    Type de fixation cadre: à visser de l'extérieur
    Type de fixation stator : à visser
    Position de montage : hors de la zone étanche
    Réglable : 3D
    Angle d'ouverture max.: 180°
    Type de barillet: clé 9081, clé différente
    Serrures: barillet
    Type d'armoire : armoires individuelles,armoires accolées / simple porte
    Position de porte: invisible
    Butée de porte : Gauche,Droite
    Téton imperdable: Oui
    Type de fermeture: verrou charnière
    No Specifications
    Voir tous les produits
    Emergency opening
    Vous trouverez ici les fiches techniques et les fichiers CAD de ce produit.