Click-in housing for Ts = 1 - 1.5 mm, Polyamide GF black; 1000-551-01
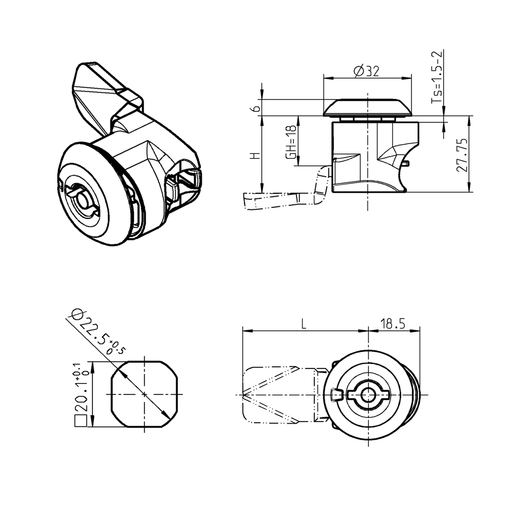
Length of housing (GH) = 18 mm
Product Benefits:
- Cost savings due to assembly and disassembly without tools within seconds
- Optionally available with polyamide or steel cam
- Suitable for many standard cams
- Closing force with cam of steel matches EMKA standard quarter turn of zinc die-cast
- Smooth operation (no inner rotation due to design)
- Self-sealing design for highest protection requirements (design immanent)
- Increased safeguarding against overwinding
- Standard cut out
- Patented
Product information:
Door gauge incl. surface coating
A = Assembly
① = Insert the insert part into the cut out
② = Place the click-in housing and shift it laterally
③ = Insert the cam into the click-in housing acoustic and visual verification of clicking in place of click-in housing
B = Disassembly
④ = Lift locking arm of the cam
⑤ = Pull out the cam of the click-in housing
⑥ = Lift locking arm of the click-in housing
⑦ = Shift the click-in housing laterally and remove it
Assembly instruction:
- Assembly door stop on the right:
Pre-assembled insert part is inserted into the cut out while insert is closed. Then fixed with click-in housing. - Assembly door stop on the left:
Pre-assembled insert part is inserted into the cut out while insert is open. Then fixed with click-in housing.
Internal Reference:
1000-551-01
Standards:
Protection class IP 69K
Barcode:
1000-000551-0000001
Product Type:
Housing
Material:
Polyamide GF
Program:
1000
Surface:
black
Catalog sheet:
1B-180
Number of Possible Locking Points:
1 point
Article with property rights:
Yes
Fixing type of housing :
clamp-on / clip fix
Mounting Positions :
Inside the sealing
GH Mass:
18 mm
Suitable for door thickness from:
1 mm
Suitable for door thicknesses up to:
1.50 mm
Locking set:
Insert
Door Version :
Left,Right
Locking components:
Cam
Quarter turn types:
Quarter turn with simple insert,Quarter turn for assembly without tools
No Specifications
View All Products
Here you can find the product data sheets and CAD files of this product