Locking set with 8 locking points, Polyamide GF silver grey metallic; 1121-U199-08
with escutcheon, insert, rod control, rods, catches and rod guides
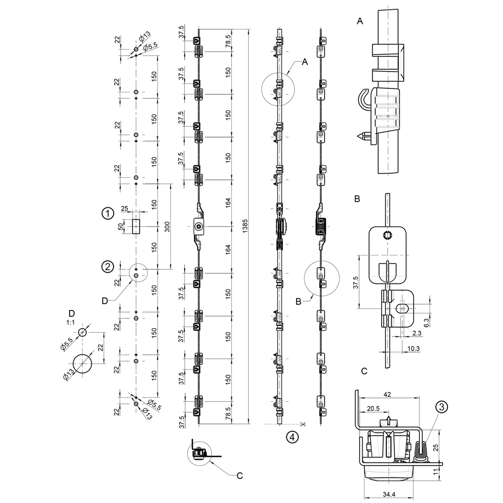
Product information:
1 = Cut out for the door
2 = Cut out for the cabinet frame
3 = Sealing example: 1011-10
4 = Rod must be shortened
Internal Reference:
1121-U199-08
Barcode:
1121-U00199-0000008
Product Type:
Locking system complete set
Program:
1121
Material of the module :
Polyamide GF
Surface of the module:
silver grey metallic
Type of actuation:
Square 8
Mounting Positions :
Outside the sealing
Flat Bar Outside:
Flat rod with locking slider
Foamed gasket:
Yes
Suitable for door thickness from:
1.50 mm
Suitable for door thicknesses up to:
2 mm
Key Tag Size:
short
Door Version :
Left,Right
No Specifications
View All Products
Here you can find the product data sheets and CAD files of this product