Compression latch left with optical opening indicator, Stainless steel AISI 316; 1500-U776-LIPH
with stainless steel nut
Product Benefits:
- Visual opening indicator, clearly visible due to 90° open flap when uncompressed
- The flap closes automatically when compressed
- Integrated dust cap
- The flat seal cushions the flap and prevents damage to the door
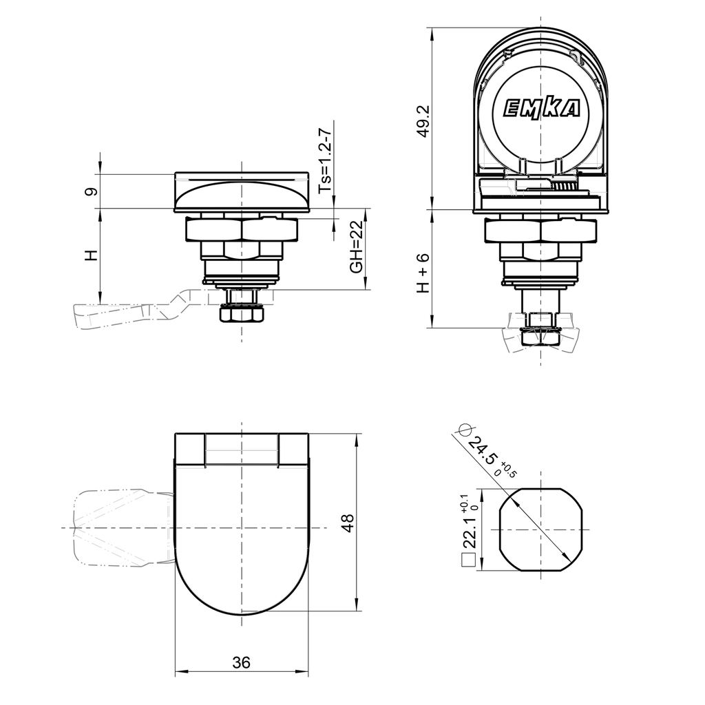
- Standard cut out Program 1500
- Patent pending
Product information:
The compression latch is designed to be vibration-proof as such.
Depending on the installation location and operational conditions, specific checks are necessary and/or supplementary measures of fastening required.
Internal Reference:
1500-U776-LIPH
Standards:
Protection class IP 69K, DIN EN 45545-3 class E60 (fire protection), DIN EN 61373 (shock and vibration testing)
Barcode:
1500-U00776-000LIPH
Product Type:
Quarter turn
Program:
1500
Catalog sheet:
1D-420
Material of the module :
Stainless steel AISI 316
Number of Possible Locking Points:
1 point
Article with property rights:
Yes
Fixing type of housing :
nut fixing
Type of actuation:
Square 8 with marking
Mounting Positions :
Inside the sealing
Grounding possible:
Yes
Housing Head Shape:
Special form
Housing Head Size:
48 x 36 x 9 mm
GH Mass:
22 mm
Compression Value :
6 mm
Suitable for door thickness from:
1.20 mm
Suitable for door thicknesses up to:
7 mm
Locking set:
Insert
Door Version :
Left
Locking components:
Cam
Quarter turn types:
Compression latch with insert
No Specifications
View All Products
Here you can find the product data sheets and CAD files of this product